Door Closer with selectable closing force EN 2/3/4
Features:
- TS - 690 has a Hydraulic closing with two stage closing control.
- Closing force 2/3/4 according to EN for door width up to 1100mm adjustable by moving the door closer.
- With standard arm.
- Same version DIN left and DIN right.
- Mounting height only 53 mm.
- Maximum Door Weight requirement 80 kgs.
- Maximum Door Width requirement 1100 mm.
- Maximum angle of door opening - 180°.
- Successfully Tested - 500,000 Cycles.
- Finish - Silver.
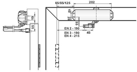
Dimension detail of Hinge Side
DIN left-door, DIN right laterally reversed
Standard mounting, hinge side

Dimension detail of Hinge-opposite Side
DIN left-door, DIN right laterally reversed
Head mounting, hinge-opposite side

Closing Force EN 2 / 3 / 4
